TERMÉKEK
Hqb-102 ipari nyomástávadó
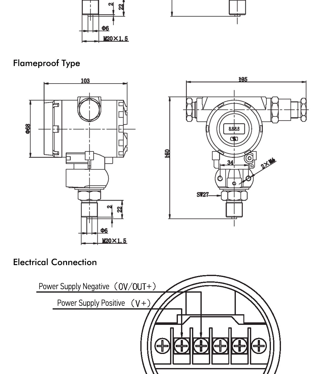
HQB-102 ipari nyomástávadó, ipari robbanásbiztos héjjal
termék áttekintése
A HQB-102 ipari robbanás- A dedikált bekötési terminálokkal és digitális kijelzőkkel felszerelt, könnyen telepíthető, ellenőrizhető és karbantartható. Ez a terméksorozat különféle vállalkozások és intézmények számára alkalmas, például kőolaj-, vízügyi, vegyipari, kohászati, villamosenergia-, könnyűipar, tudományos kutatás, környezetvédelem stb. számára, a folyadéknyomás mérésének eléréséhez, és minden időjárási környezetben és különböző korrozív folyadékok esetén alkalmazható.
Termékjellemzők
· LCD és LED kijelzőkkel párosítható
·Védelem
· Fordított polaritás elleni védelem, -interferencia védelem, túlfeszültség és túláram 316 literes rozsdamentes acél szigetelő membrán, integrált kialakítás
·A robbanásbiztos termék megfelel a GB3836.2 szabvány követelményeinek, és megszerezte a robbanásbiztos-tanúsítványt az Exd 1 CT6 Gb robbanásbiztos-jellel
Termék alkalmazása
·Petrolkémiai ipar
·Mérési és szabályozási technológia
· Hidraulikus és pneumatikus mezők
|
Mérési tartomány |
(-100-0) kPa, (0-10) kPa-tól (0-100) MPa-ig |
|
Pontossági szint |
Talaj 0,25% FS |
|
Kimeneti módok |
(4-20) mADC, (0-5) VDC, RS485 stb |
|
Tápegység |
(10~28) VDC |
|
Telepítési módszerek |
menetes csatlakozás, szaniter típus, karima stb |
|
Választható funkciók |
hűtőborda, Bluetooth stb |
|
Robbanásbiztos minőség |
gyújtószikramentes, robbanásbiztos- |
|
Kommunikációs protokoll |
HART (opcionális) |
| Érzékelő típusok | diffúz szilícium érzékelő, kerámia piezorezisztív érzékelő (opcionális), kerámia kapacitív érzékelő (opcionális) |







Üdvözöljük, hívjon minket további információért.
URL: https://www.hongqiinstrument.com/
Tel:+86-572-6129996 ; +86-572-6129997; +86-572-6062288
E-mail:hongqi@cnhongqi.com
Népszerű tags: hqb-102 ipari nyomástávadó, beszállítók Kína, gyártók, gyárak, márkák, nagykereskedelem, alacsony ár, olcsó, Kínában gyártott
-
Hongqi 60 mm-es nyomásmérő radiális irányú rozsdamentes a...még több> -
Minőségi korróziógátló/biztonsági lángálló héjnyomásmérőmég több> -
Legjobb márka alsó csatlakozó kapszula nyomásmérőmég több> -
Intelligens nyomástávadó digitális kimenettelmég több> -
HQB3000-LP intelligens folyadékszint távadómég több> -
Hqb3000-Dp intelligens nyomáskülönbség-távadómég több>












